Mô tả Sản phẩm
ANR200 12V / 24V / 36V / 48V / 60V / 72V / 84V / 120VDC 200A IP50 Us ed Đối với điện áp chập chờn và pin 1NO Contact AOKAI DC Contactor
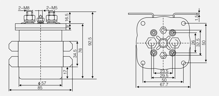
ANR200 điện cuộn nhỏ hơn 38W. Tài liệu của mẫu liên hệ là AgCdO / AgCuO trong hầu hết thời gian. Kích thước cơ thể khoảng 67,7 * 85 * 92,5 mm. Nó có thể được lắp theo chiều dọc hoặc nằm ngang. Nó có khung ở dưới cùng của cơ thể contactor. Một loạt khung lắp sẵn có sẵn, như trong bảng danh mục và trang sản phẩm trang web. Nói chung chúng được chia thành kiểu 'Top Hat' để gắn song song với bề mặt gắn kết hoặc khung lắp hình dạng 'L' để gắn 90 độ với bề mặt.
ANR200 là một contactor cuộn dây đơn. Coil nằm trong khung nam châm, solenoid (cuộn dây) được kích hoạt để tạo ra lực điện từ để di chuyển phần ứng và do đó điều khiển các tiếp điểm chính.
| Nhãn hiệu: AK / AOKAI Tên: DC Contactor Mẫu: ANR200 Điện áp cuộn dây định mức: DC12V / 24V / 36V / 48V / 60V / 72V / 84V / 120V vv Tiêu thụ điện năng Coil : ≤38.0W Dòng định mức: 200A Kích thước cơ thể: 67,7 * 85 * 92,5 ( mm ) Trọng lượng: Khoảng 8g 30g |
|
CHUYÊN NGHIỆP N
Điện áp định mức Coil | DC12V, 24V, 36V, 48V, 60V, 72V, 84V, 120V ... |
Mạch chính Dòng định mức (A) | 200A |
Mạch chính Liên hệ Điện áp thả (Tải: 100A) | ≤80mV |
Dưới (20 ± 5) ℃, Áp suất làm mát kéo | ≤70% |
Dưới (20 ± 5) ℃, Áp suất giải phóng làm mát | ≥5%, ≤40% |
Phạm vi dao động chấp nhận được của điện áp cuộn dây | ± 20% |
Thời gian chờ (N / O Contacts to Close) | ≤30ms |
Thời gian rỗi (N / O Contacts to Open) | ≤20ms |
Thời gian ngắt kết nối tối đa của Danh bạ | ≤5ms |
Vật liệu chống điện | ≥ 50 MΩ |
Độ bền điện môi | 50Hz / 60Hz 1000VAC / 1 phút |
Quá tải | ≤7Ie, ≤1s |
Tiêu thụ điện năng Coil (W) | ≤38.0W |
Điện cuộc sống | 20.000 lần |
Cuộc sống cơ khí | 300 nghìn lần |
Chế độ làm việc | Liên tiếp |
Mâu liên hệ | 1 KHÔNG |
Chất liệu Liên hệ | AgCdO / AgCuO |
Tải trọng tiêu chuẩn phụ trợ (phụ tùng tùy chọn) | 2A / 48VDC, 5A / 24VDC |
Tiêu chuẩn kỹ thuật | GB14048.4-2010 |
S US DỤNG MÔI TRƯỜNG
Độ cao | ≤2Km | Nhiệt độ xung quanh | -25 ~ + 55 ℃ |
Lớp bảo vệ quốc tế | IP50 | Loại cài đặt | III |
Cách cài đặt | Bất kì | Rung động | 2,5g (5 ~ 50) Hz |
Va chạm | 50g, 11ms (Half-Sine Wave) | ||
Sơ đồ cài đặt

Sơ đồ cài đặt

Aokai điện là nguồn tốt nhất của bạn cho chất lượng cao 1no 36v dc uninterruptible cung cấp điện tiếp sức với bộ phận chứng nhận CE. Chúng tôi đã là một trong những nhà sản xuất lớn nhất và nhà cung cấp ở Trung Quốc kể từ khi thành lập của chúng tôi trong năm 2008. Chào mừng bạn đến liên hệ với nhà máy của chúng tôi cho các sản phẩm.
Chú phổ biến: 1 NO 36V DC nguồn cung cấp điện liên tục không gián đoạn, nhà sản xuất Trung Quốc, nhà cung cấp, nhà máy, CE



